Что такое Arduino?
Ардуино (Arduino) — специальный инструмент, позволяющий проектировать электронные устройства, имеющие более тесное взаимодействие с физической средой в сравнении с теми же ПК, фактически не выходящими за пределы виртуальной реальности.
В основе платформы лежит открытый код, а само устройство построено на печатной плате с «вшитым» в ней программным обеспечением.
Другими словами, Ардуино — небольшое устройство, обеспечивающее управление различными датчиками, системами освещения, принятия и передачи данных.

В состав Arduino входит микроконтроллер, представляющий собой собранный на одной схеме микропроцессор. Его особенность — способность выполнять простые задачи. В зависимости от модели устройство Ардуино может комплектоваться микроконтроллерами различных типов.
Существует несколько моделей плат, самые распространённые из них – UNO, Mega 2560 R3.
Не менее важная особенность печатной платы заключается в наличии 22 выводов, которые расположены по периметру изделия. Они бывают аналоговыми и цифровыми.
Особенность последних заключается в управлении с помощью только двух параметров — логической единицы или нуля. Что касается аналогового вывода, между 1 и 0 имеется много мелких участков.
Сегодня Arduino используется при создании электронных систем, способных принимать информацию с различных датчиков (цифровых и аналоговых).

Устройства на Ардуино могут работать в комплексе с ПО на компьютере или самостоятельно.
Что касается плат, их можно собрать своими руками или же приобрести готовое изделие. Программирование Arduino производится на языке Wiring.
ЧИТАЙТЕ ПО ТЕМЕ: Умный дом Xiaomi Smart Home, обзор, комплектация, подключение и настройка своими руками, сценарии.
3.1 Принцип работы многоуровневых усилителей класса D
Для достижения низкого энергопотребления (нормированного на максимальную выходную мощность), в том числе, при низких и нулевых уровнях громкости, в многоуровневых усилителях класса D используется многоуровневый силовой каскад (полумост).
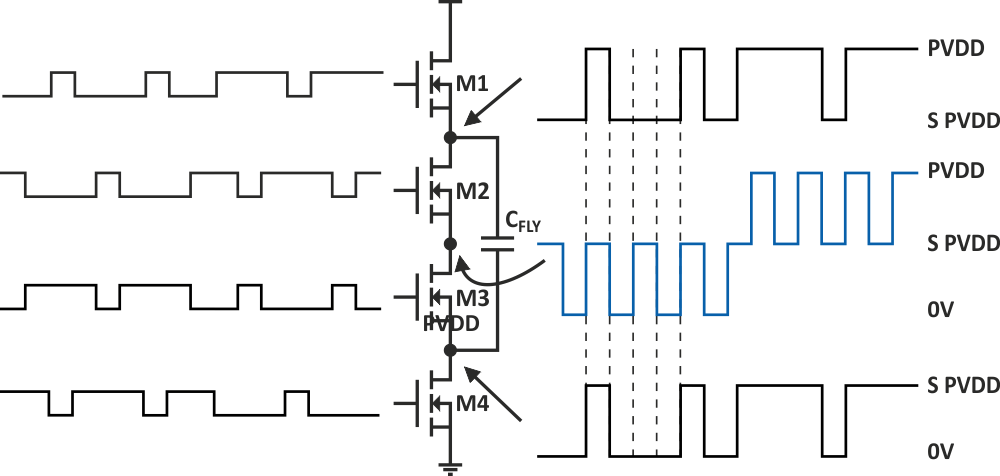
Усилители семейства MERUS создают выходной сигнал с помощью силового каскада с уникальной архитектурой, в которой для каждого полумоста используются четыре биполярных транзистора или MOSFET вместо двух, которые мы привыкли видеть в традиционных усилителях (Рисунок 4). Многоуровневый выходной каскад обеспечивает замечательную гибкость и позволяет конфигурировать усилитель для оптимизации потребляемой мощности в любом приложении.
|  | |
| Рисунок 4. | Многоуровневый выходной каскад. | 
Полумост устанавливает несколько выходных уровней ШИМ от одного источника. Каждый полумост содержит четыре MOSFET (на Рисунке 4 они обозначены M1 … M4), и каждый MOSFET управляется индивидуальным ШИМ-сигналом. Конденсатор CFLY, который «плавает» между верхним и нижним MOSFET, постоянно заряжается отдельной схемой, поддерживающей на нем неизменный потенциал. Поэтому «плавающий конденсатор» функционирует, по существу, как дополнительная шина питания. Таким образом, каждый полумостовой силовой каскад формирует в выходном коммутационном узле трехуровневый выходной сигнал: 0 В, ½ PVDD и PVDD.
В полномостовой конфигурации (Рисунок 5), которая образуется путем объединения двух трехуровневых полумостов, коммутируемых по определенной схеме, шаблон переключения каждого полумоста модулируется с фазовым сдвигом 90° относительно другой стороны. Таким образом, для дифференциально подключенного динамика результирующий силовой каскад может обеспечивать до пяти уровней шаблонов модуляции.
|  | |
| Рисунок 5. | Многоуровневый полномостовой выходной каскад. | 
Поскольку результирующая выходная частота выше, а отдельные ступени напряжения меньше, это намного лучше приближает выходной аудиосигнал к входному сигналу, чем обычные усилители класса D.
Пятиуровневая система по своей сути в четыре раза увеличивает частоту переключения в выходных узлах, и при этом на дифференциально подключенном громкоговорителе выделяются значительно более низкие уровни внеполосных остаточных шумов переключения. Высокий КПД и лучший контроль электромагнитных помех и факторов электромагнитной совместимости позволяют эффективно настроить усилитель для работы без фильтра.
На Рисунке 6 показан результирующий пятиуровневый дифференциальный выходной сигнал при полномостовой конфигурации для одного периода синусоиды.
|  | |
| Рисунок 6. | Пятиуровневый выходной сигнал при полномостовом подключении нагрузки. | 
В этом случае частота переключения в нагрузке в четыре раза превышает частоту переключения MOSFET в выходных узлах полумостов. Заметьте, что схема переключения дает три состояния (в отличие от одного в обычном усилителе класса D), где происходит полное подавление остаточных внеполосных шумов переключения, а именно при –½ PVDD, 0 В и +½ PVDD. В этих точках выходы двух полумостов либо оба равны 0 В, либо оба имеют идеально «зеркальные» выходные коэффициенты заполнения 50%.
Для реального приложения это непосредственно означает снижение пульсаций тока в выходной секции аудиосистемы. Если нет необходимости подавления внеполосных шумов или артефактов переключения, многие приложения не требуют использования синфазного LC-фильтра.
|  | |
| Рисунок 7. | Нулевые состояния многоуровневого усилителя. | 
Рисунок 7 позволяет оценить эффект от снижения пульсаций тока. При нормировании на ток пульсаций традиционного усилителя класса D (фиолетовая линия) модулированные выходные сигналы трехуровневых или полумостовых (зеленая линия) и пятиуровневых или полномостовых (оранжевая линия) каскадов имеют значительно меньшие пульсации тока
Обратите внимание на нулевые состояния для трех- и пятиуровневых сигналов – точки, в которых пульсации тока отсутствуют. В дополнение к принципиально более эффективному методу коммутации транзисторов, также, благодаря меньшему току пульсаций во внешних компонентах, значительно снижаются общие потери мощности
Модули
Модулей и датчиков для ардуино огромное множество. Каждый день люди в поднебесной и не только, придумывают новые и новые модули для расширения возможностей системы. Вы и сами можете придумать свой модуль и написать для него библиотеку, но это уже не базовый уровень.
Датчики
Датчик температуры и относительной влажности DHT11 и его собрат DHT22

Датчик температуры DS18B20 в обычном или защищённом корпусе

Датчик движения HC-SR505

Датчик расстояния ультразвуковой

Датчик газа MQ-6 (изобутан, пропан)

Датчик дождя
Дисплеи и индикаторы
Символьные дисплеи LCD 1602 и 2004
как вы догадались цифры обозначают количество отображаемых символов в строке и количество строк (1602 — 16 символов в 2 строки).

Точечные дисплеи
OLED дисплей 0,96 дюйма
Цветной TFT дисплей

Семисегментные индикаторы
Принцип работы системы
Устройство Arduino работает следующим образом. Информация, собранная с различных датчиков в доме, направляется по беспроводной сети на планшет или ПК. Далее с помощью специального софта производится обработка данных и выполнение определенной команды.
Главную функцию выполняет центральный датчик, который можно приобрести или собрать самостоятельно. Разъемы на платах являются стандартными, что значительно упрощает выбор комплектующих.

Питание
Питание Arduino производится через USB разъем или от внешнего питающего устройства. Источник напряжения определяется в автоматическом режиме.
Если выбран вариант с внешним питанием не через USB, можно подключать АКБ или блок питания (преобразователь напряжения). В последнем случае подключение производится с помощью 2,1-миллиметровго разъема с «+» на главном контакте.
Провода от АКБ подключаются к различным выводам питающего разъема — Vin и Gnd.
Для нормальной работы платформа нуждается в напряжении от 6 до 20 Вольт. Если параметр падает ниже 7 вольт, на выводе 5V может оказаться меньшее напряжение и появляется риск сбоя.
Если подавать 12 В, возможен перегрев регулятора напряжения и повреждения платы. По этой причине оптимальным уровнем является питание с помощью 7 — 12 В.

В отличие от прошлых типов плат, Arduino Mega 2560 работает без применения USB-микроконтроллера типа FTDI. Для обеспечения обмена информацией по USB применяется запрограммированный под конвертер USB-to-serial конвертер.
ПОПУЛЯРНО У ЧИТАТЕЛЕЙ: Что такое умный дом CLAP.
На Ардуино предусмотрены следующие питающие выводы:
- 5V — используется для подачи напряжения на микроконтроллер, а также другие элементы печатной платы. Источник питания является регулируемым. Напряжение подается через USB-разъем или от вывода VIN, а также от иного источника питания 5 Вольт с возможностью регулирования.
- VIN — применяется для подачи напряжения с внешнего источника. Вывод необходим, когда нет возможности подать напряжение через USB-разъем или другой внешний источник. При подаче напряжения на 2,1-миллиметровй разъем применяется этот вход.
- 3V3 — вывод, напряжение на котором является следствием работы самой микросхемы FTDI. Предельный уровень потребляемого тока для этого элемента составляет 50 мА.
- GND — заземляющие выводы.

Принципиальную схему платы в pdf формате можно посмотреть ЗДЕСЬ.
Связь
Возможности Arduino позволяют подключить группу устройств, обеспечивающих стабильную связь с ПК, а также другими элементами системы — микроконтроллерами или такими же платами Ардуино.
Модель ATmega 2560 отличается наличием 4 портов, через которые можно передавать данные для TTL и UART. Специальная микросхема ATmega 8U2 на плате передает интерфейс (один из них) через USB-разъем. В свою очередь, программы на ПК получают виртуальный COM.

- Если на ПК установлен Linux, распознавание происходит в автоматическом режиме.
- Если стоит Windows, потребуется дополнительный файл .inf.
С помощью утилиты мониторинга обеспечивается отправление и получение информации в текстовом формате после подключения к системе.
Мигание светодиодов TX и RX свидетельствует о передаче данных. Для последовательной отправки информации применяется специальная библиотека Software Serial.
К особенностям ATmega 2560 стоит отнести наличие интерфейсов SPI и I2C. Кроме того, в состав Ардуино входит библиотека Wire.

2.1 Принцип работы традиционных усилителей класса D
Принцип работы выходного каскада традиционного усилителя класса D показан на Рисунке 1. Он состоит из двух MOSFET, обозначенных M1 и M2 на Рисунке 1, каждый из которых управляется широтно-модулированным (ШИМ) сигналом. Коэффициент заполнения импульсов ШИМ модулируется аудио сигналом, подаваемым на вход усилителя. Обычно это происходит внутри контура регулирования.
|  | |
| Рисунок 1. | Выходной каскад традиционного усилителя класса D. | 
Коммутационный узел (VPWM) схемы на Рисунке 1 передает усиленный сигнал ШИМ
Обратите внимание, что для очистки аудиосигнала от сигнала ШИМ до того, как усиленный аудиосигнал достигнет динамика, используется LC-фильтр. Хотя для небольших устройств, таких как мобильные телефоны, этот фильтр не требуется из-за низкой выходной мощности аудиоусилителя, приложениям с уровнями выходного сигнала, превышающими значение порядка 20 Вт, обычно нужны LC-фильтры
Испытания собранного усилителя
Все синусоидальные выходные сигналы (на выходной мощности 25 Вт), что посмотрел между 20 Гц и 20 кГц, были идеальные копии входного сигнала. Общий коэффициент усиления усилителя около 10,3 (20.3 дБ). При выходном уровне около 15 Вт, частотный диапазон был плоский между 20 Гц — 13 кГц, и спад около 0,2 дБ на 20 кГц. Так что всем рекомендую подобные конструкторы, работают они ничуть не хуже готовых ламповых усилителей, промышленной сборки, за несколько тысяч долларов!
Форум по обсуждению материала НАБОР ДЛЯ СБОРКИ ЛАМПОВОГО УСИЛИТЕЛЯ
| 
 | 
 | ||
| 
 | 
 | 
Наборы и конструкторы Ларт

ЛАРТ Сармат Армага
Набор на основе контроллера Ардуино, при помощи которого можно собрать робота, движущегося по линии. Главный компонент комплекта – миниатюрная плата Ардуино Нано, которая позволяет подключать не только входящие в состав набора компоненты, а и другие элементы совместимые с Ардуино, как механического, так и электронного типа. Это дает возможность совершенствовать полученного робота.
ЛАРТ Печенег Батана
Комплект включает плату Ардуино Нано и имеет достаточное количество элементов для разработки и строительства роботов, которых при помощи состава набора можно собрать две разновидности: робот, движущийся по черной линии и робот с датчиком ультразвука. Для программирования применяется текстовая среда Arduino IDE. Для разных модификаций роботов имеется возможность использования совместимых с Ардуино компонентов, а при помощи дополнительной пластины можно установить большее количество датчиков.
Конструктор Смарт Робо
Готовый конструктор для создания электронного робота на основе Ардуино, в комплект входит необходимое количество элементов, и руководство к сборке. Базовый элемент набора – плата от Keyestudio (100% аналог Ардуино). Полученный робот может быть запрограммирован на движение по линии, возможность объезда препятствий и управление от дистанционного пульта. Все элементы соединяются при помощи быстроразъемных соединителей и не требуют пайки. Доработать и усовершенствовать полученную конструкцию можно добавив на плату дополнительные элементы, совместимые с контроллером Ардуино.
Конструктор Смарт
Серия наборов, которые отличаются по комплектации. Основной компонент – плата Smart Uno – аналог контроллера Ардуино Уно, не уступающий ему по качественным характеристикам. В зависимости от комплектации (Смарт 10, Смарт 20 и Смарт 30) набор содержит элементы, как для начального уровня проектирования, так и для разработки более сложных проектов. При необходимости возможно подключение других электронных компонентов, совместимых с микроконтроллером.
Смарт Genuino
Серия наборов – Смарт 10 Genuino, Смарт 20 Genuino, Смарт 30 Genuino, которые отличны по количеству деталей в комплекте. Главный базовый компонент – плата Genuino Uno, кроме которой в составе имеются электронные детали, беспаечная макетная плата, провода и руководство по проектированию. Набор будет интересен как новичкам, так и профессиональным пользователям.
Робоплатформа Robbo (ScratchDuino)

Конструктор предназначен для обучения детей и взрослых основам робототехники и электроники. Управление роботизированным механизмом может осуществляться из различных сред программирования (Scratch, Lazarus, Кумир) или же пульта управления. Базовый компонент – картридж Ардуино. В зависимости от типа комплектации варьируется количество составных элементов.
STM32 (STM32F103C8T6)
Данная отладочная плата известна также под названием проект “Blue pill”. Опенсорсное решение на базе ARM процессора. Плата призвана заменить собой платформу Arduino Nano и имеет следующие характеристики:
- Архитектура Микроконтроллера ARM Cotrex M3
- Разрядность 32 Бит
- Максимальная частота 72 Мгц
- Объем памяти программ (FLASH): 64 / 128 кБайт
- Объем памяти данных (RAM): 20 кБайт
- Выводы: 37
- UART: 3
- SPI: 2
- I2C: 2
- CAN: 1
- USB: 1
- АЦП: 2 АЦП, 10 каналов, время преобразования 1 мкс
- Напряжение питания микроконтроллера 2 … 3,6 В
- Напряжение питания платы 5 В
- Ток потребления до 50 мА
По сравнению с основным конкурентом — Arduino Nano, характеристики более чем впечатляющие. Да и зона применения этого микроконтроллера гораздо шире. Однако без нюансов не обходится. Стоит учитывать, что напряжение питания у микроконтроллера на этой плате составляет в среднем 3,3 вольта, соответственно и логика работы микроконтроллера трехвольтовая. У Arduino Nano напряжение питания 5 Вольт и логика соответствующая.
Однако, не все так печально. Разработчики предусмотрели такой вариант и ряд выходов платы сделали толерантными к 5ти вольтовой логике. Данная информация представлена на изображении ниже:
При этом, если вам необходимо больше выводов, толерантных к 5ти вольтовой логике, чем может предложить данный модуль, существуют преобразователи логических уровней, которые позволяют решить данную проблему.
На китайских торговых площадках мне встречались преобразователи на 4 и 8 каналов, стоят копейки, но позволяют избавиться от головной боли :). Вот ссылка на 4х канальный преобразователь:
Устройства на базе STM32 в последние годы все больше и больше набирают популярность. На них строят как примитивные устройства, так и квадрокоптеры. А с выходом marlin 2.0 количество 3Д принтеров на подобной платформе значительно увеличится.
Свои модули STM32 (STM32F103C8T6) я заказывал вот тут:
Ну а теперь поговорим о модулях на микроконтроллерах с WIFI.
Так или иначе рано или поздно любому радиолюбителю или инженеру становится скучно и не интересно разрабатывать автономные устройства, либо обстоятельства вынуждают разрабатывать устройства взаимодействующие друг с другом или через интернет. У Адруино есть шилды, которые позволяют подружить микроконтроллер с сетью, но прогресс не стоит на месте и был разработан новый микроконтроллер уже имеющий у себя на борту интерфейс wifi. Представляю Вашему вниманию микроконтроллер ESP8266.
Основные характеристики ESP8266 следующие:
- Тактовая частота 80 МГц с возможностью разгона до 160 МГц без гарантии стабильности работы
- Платформа 32 Бит
- Поддержка Wifi стандартов b/g/n
- Количество портов GPIO 14, из них доступно 11
- Количество аналоговых входов 1
- АЦП 10 Бит
- Питания от 2,6 до 3,6 В
- Потребляемая мощность до 215 мА в режиме передачи, 100 мА в режиме приема, 70 мА в режиме ожидания.
- Поддерживаются три режима пониженного потребления, все без сохранения соединения с точкой доступа: Modem sleep (15 мА), Light sleep (0.4 мА), Deep sleep (15 мкА)
Имеются следующие интерфейсы:
- UART
- SPI
- I2C
Вот основные особенности данного микроконтроллера. Как видим, есть свои достоинства и недостатки. К достоинствам можно отнести:
- Производительная платформа
- Наличие Wifi
- Наличие поддержки самых востребованных интерфейсов
- Наличие режимов низкого энергопотребления
- Совместимость со средой Arduino IDE
К недостаткам можно отнести следующее:
- Мало количество портов GPIO
- Только один аналоговый вход
- Высокое энергопотребление в режиме передачи
Однако, недостатки не такие уж и критичные и для ряда проектов просто несущественные.
За счет своей функциональности микроконтроллер ESP8266 приобрел широкую популярность в среде разработчиков устройств и модулей для умного дома и интернета вещей. О чем свидетельствует популярность модулей Sonoff, обзоры которых я делал ранее. (Обзоры модулей Sonoff). Также данные микроконтроллеры используются во всяких устройствах с Wifi на борту, таких как кондиционеры, роботы-пылесосы и т.д.
Подбираем комплектацию под проект на примере Arduino Mega 2560 R3
Для создания полноценной системы «Умный дом» и выполнения ею возложенных функций важно правильно подойти к комплектации и выбору оборудования
Что входит в комплект поставки?
Если ваша цель — «Умный дом» на базе Arduino, требуется подготовить следующее оборудование — саму плату Mega 2560 R3, модуль Ethernet (ENC28J60), датчик движения, а также другие датчики и контроллеры.
Кроме того, стоит подготовить кабель вида «витая пара», резистор, реле, переключатель и кабель для модуля Ethernet.

Необходимы и дополнительные инструменты — отвертки, паяльники и прочее.
Учтите, что покупать наборы для монтажа системы стоит в сертифицированных пунктах. Это объясняется тем, что при реализации проекта применяется электричество, а использование подделки может привести к снижению уровня безопасности.
Все программы для адаптации можно найти в сети на официальном сайте Arduino https://arduino.ru. При выборе датчиков стоит ориентироваться на задачи, которая должен решать «Умный дом».
Как правило, требуются датчики движения, температуры, открытия дверей и освещенности. Роль датчика открытия дверей может выполнять обычный геркон.

Прошивается плата с помощью специального софта, предназначенного для различных операционных систем, в том числе и кабеля USB. При этом в программаторах нет необходимости.
Что касается ПО, которое применяется в Ардуино, оно написано на языке Си. На число байт имеются определенные ограничения, но текущей памяти достаточно для реализации поставленной задачи.
Что такое GSM розетка для умного дома, устройство, принцип работы, инструкция по подключению, как сделать своими руками
Недорогие наборы Ардуино в зарубежных интернет-магазинах
Стартовые наборы Ардуино
Если вы хотите научить ребенка основам работы с Ардуино, то лучше начинать с покупки специального набора, который принято называть Arduino Kit. Набор Arduino Starter Kit обычно содержат только самые основные элементы, включая контроллер Arduino, соединительные провода, макетную плату, светодиоды и различные датчики и модули.
Расширенные наборы Arduino
Наборы и конструкторы, включающие дополнительные датчики, моторы, дисплеи. В некоторых наборах вместе с Arduino Uno предлагается еще и вариант контроллера Mega.
| Один из самых недорогих вариантов набора RFID Arduino Kit в неплохой упаковке и традиционным набором содержимого | 
В итоге, что мы получим?
Сегодня Arduino востребовано среди людей, которые ничего не знают о программировании.
Причиной этому является простой интерфейс, а также ряд преимуществ — простой язык программирования, возможность создания своего алгоритма, благодаря открытому исходному коду, а также легкость переноса программ с помощью USB-кабеля. Необходимый для Ардуино софт имеется в Интернете, поэтому тут проблем нет.
Как видно, Ардуино — не просто плата, позволяющая подключить различные устройства. Это мощная база, которую можно использовать для создания «Умного дома». При этом нет нужды тратить большие деньги за дорогостоящие устройства, стоимость которых в 5-10 раз больше.
Это и есть основные преимущества системы.
К особенностям платы стоит отнести возможность подключения к компьютеру и получения визуализации процессов на дисплее планшета или ПК.
Управление автоматикой возможно через Интернет или посредством сообщений. Так что Ардуино отлично подходит для создания устройств повышенной сложности.
Подведение итогов
Как видно из приведенного нами краткого обзора, сегодня можно найти достаточно широкий ассортимент сделанных в России готовых наборов Arduino для электронного конструирования. Преимуществом российских наборов является лучшее, чем у недорогих китайских конструкторов качество исполнения компонентов и наличие инструкции на русском языке. Основной минус – достаточно высокая по сравнению с теми же аналогами в Китае стоимость. Очень часто, открыв российский набор, можно найти просто переупакованные китайские запчасти с иероглифами на модулях и датчиках. Только некоторые производители предлагают уникальные конструкторы собственной разработки. Будем надеяться, что рынок образовательной ардуино робототехники будет только расти и у нас впереди еще будет много открытий.







![Усилитель класса d (troyka-модуль) [амперка / вики]](http://the-voice.ru/wp-content/uploads/a/8/2/a822ebb40a755a0addcf86b1255d5691.jpeg)




















 
    


