Gain \ Level
Gain (чувствительность) часто путают с громкостью, но это не совсем правильно.
Gain (гейн) — это регулировка входной чувствительности усилителя для согласования с магнитолой. Но не будем забираться в дебри и рассмотрим эту настройку с точки зрения полезной для пользователя.
Иногда значение Вольт (V) указанное на регуляторе может ввести в заблуждение. Дело в том, что чувствительность измеряется в Вольтах. Чем меньше V — тем выше чувствительность — тем громче будет играть динамик и наоборот.
Для начала будет полезно посмотреть понятое видео про то, как работает гейн на усилителе:
Настройка гейна на слух (1 способ)
Имея хорошее сабовое звено, не пользуйтесь эквалайзером и различными басовыми улучшайзерами, забудьте про bassboost на усилителе — поэтому перед настройкой гейна проверьте чтобы все это было отключено!
Установите регулятор на минимум и включите музыку, которую вы обычно слушаете. Прибавляйте громкость магнитолы на 3/4 от максимума, услышав искажения в звучании саба раньше — остановитесь и убавьте громкость на пару делений. Переходите к усилителю. Попросите помощника медленно прибавлять регулятор гейна до появления новых искажений, а услышав их, остановите вращение и убавьте на 10 %.
Настройка гейна на слух (2 способ)
Если вы не доверяете своему слуху и боитесь во время не услышать изменения, тогда воспользуйтесь более точным способом — с помощью синусов.
Если вы настраиваете сабвуфер, то используйте 40 Гц, в случае если ваш корпус настроен выше 40 Гц или у вас закрытый ящик, тогда берите 50 Гц, (). Для настройки гейна для усилителя мидбаса возьмите 315 Гц.
Синус или тон (в нашем случае) — тоновый сигнал определенной частоты, изменения в звучании которого вы легко услышите
Установите гейн на минимум, включите ваш синус и прибавляйте громкость магнитолы. При изменении звучания тонового сигнала остановитесь и убавьте на пару делений (выставьте ограничение максимальной громкости на это значение, если в вашей магнитоле есть такая функция). Переходите к усилителю. Аналогично первому способу прибавляйте гейн. При изменении звучания остановитесь и убавьте на 10%.
Настройка гейна с помощью мультиметра или осциллографа
Настройка уровня гейна с помощью приборов является грамотным и точным согласованием. При этом не напрягается ни динамик ни ваши уши. Подробно о такой настройке показано в видео на нашем Ютуб канале:
Обратите внимание, что при настройке с помощью мультиметра вы должны быть уверены в мощности, заявленной производителем усилителя
Критерии выбора
Перед приобретением аппаратуры специалисты рекомендуют обращать внимание на следующие моменты, чтобы не допустить ошибки при выборе. 1
Подобрать оптимальный тип усилительного элемента в зависимости от планируемого использования
1. Подобрать оптимальный тип усилительного элемента в зависимости от планируемого использования.
2. Определиться с количеством каналов по числу динамиков, их должно быть больше или равно. Такое правило особенно актуально для геймеров и киноманов, чтобы получить объёмный звук.
3. Найти девайс под имеемую акустическую систему. При этом учитывать следующее:
- самые лучшие показатели достигаются при работе на 70% возможностей при соотношении мощности усилителя к акустике 1,6:1,0, т.е. при «силке» в 1,6 кВт аудиосистема должна тянуть 1,0 кВт;
- реальная сила девайса определяется номинальной, а не максимальной мощностью, которую чаще указывают производители;
- снижение чувствительности акустики на 3 дБ требует усиления мощности девайса в два раза, т.е. для увеличения громкости с 57 до 60 дБ усилитель в 1 кВт надо увеличить до 2 кВт.
4. Коэффициент искажений должен быть в пределах:
- в диапазоне 40 Гц – 12,5 кГц гармонических деформаций – меньше 1%;
- в диапазоне 250 Гц – 8 кГц интермодуляционных искажений – не больше 3%.
5. Диапазон рабочих частот в пределах 20 Гц – 20 кГц. Чем он шире при выдаче прямой амплитудно-частотной характеристике, тем аппарат качественней. В случае падений на графике АЧХ такие участки звукового диапазона окажутся недоработанными.
6. Чёткость звучания определяется соотношением полезного сигнала к шумам, измеренным на полной громкости. Рекомендуется выбирать модели с параметром 90/100 дБ.
7. Учитывать размеры помещения, где будет работать система:
- на комнату до 15 кв. м достаточно 3-4 Вт/м2 на канал;
- на зал больше 25 кв. м требуется 5-7 Вт/м2.
8
Обращать внимание на наличие клемм с резьбовыми зажимами для коннекта к акустике, которые более надёжные по сравнению с пружинными защёлками
9. На поиске ТОП-овых новинок лучше не зацикливаться, потому что аппаратуру с двух-трёхлетней историей можно купить гораздо дешевле, а её качество почти ничем не отличается.
Где купить
Популярные модели продаются в специализированных торговых точках аудио или цифровой техники. Предлагаемую продукцию ведущих фирм и производителей там можно услышать в реальном звучании, ведь с тестированием аппаратуры в «полевых условиях» не сравнятся никакие обзоры. При этом менеджеры посоветуют, как выбрать, какой фирмы модель лучше купить, сколько стоит. Там же представлены красочные буклеты с описаниями, характеристиками и фото.
Предложения на интегральные усилители в Москве:
- ламповые – от 46 000 руб. (Line Magnetic LM-218 mini IA) до 3 835 000 руб. (Unison Research Absolute 845);
- транзисторные – от 2 490 руб. (Behringer MA4008) до 3 517 090 руб. (Constellation Audio Perfomance Argo);
- гибридные – от 7 250 руб. (TOP A3255) до 1 315 310 руб. (PATHOS InPol Heritage).
Что это такое
Гармонические составляющие самых удачных моделей находятся в диапазоне 20 – 20 000 Гц.
Основными компонентами являются:
- предварительный усилитель – первичное усиление входящего сигнала до уровня восприятия оконечным устройством, коммутация и регулирование уровня;
- усилитель мощности – увеличение обработанного сигнала до уровня воспроизведения акустическими системами на достаточной громкости;
- распределитель (дистрибьютор) – для регулирования амплитуд сигналов с их последующим распределением на несколько каналов;
- блок питания – для электропитания всех блоков и схем устройства.
Рейтинг стереоусилителей
Люди, занимающиеся музыкой профессионально, огромное внимание уделяют подбору техники. Меломаны тоже любят хороший звук, поэтому им также нужно понимать, что такое стереоусилитель, как его выбрать, чем они различаются между собой
Кратко основные задачи стереоусилителя можно описать следующим образом:
- Повышение мощности звука.
- Улучшение качества звучания на разных частотах, получение более глубоких басов.
- Снижение помех, искажений по сравнению с первоначальным звуком.
Устройство включает в себя следующие конструктивные компоненты:
- Входной каскад. К нему подсоединяются проигрыватели, акустика и прочие источники звука.
- Блок питания. Это устройство, предназначенное для увеличения входного тока до подходящих значений. Он работает на базе трансформатора. Является самой увесистой частью усилителя.
- Выходной каскад. Оснащен транзисторной базой, которая придает сигналу нужную форму и подает его на колонки.
- Регуляторы. Инструменты управления усилителем обычно размещены на передней панели. С их помощью пользователь может настроить громкость, басы, тембр и другие характеристики, а также выбирать источник звука.
Усилители будут различаться по разным критериями:
- По элементной базе выделяют стереоусилители, работающие на интегральной, транзисторной, ламповой, гибридной схеме.
- Они могут использоваться в различных областях: дома, в студиях, автомобиле, на концертных площадках.
- По числу каналов могут быть одно-, двух- или многоканальные модели.
Основной вопрос, который покупатель должен задать себе перед выбором стереоусилителя – это что он хочет получить на выходе. Так, например, повысить громкость можно при обработке программными методами. Настроить звук можно только с применением специальных устройств.
Для записи стереозвука нужен прибор, который обеспечит объединение двух каналов, а в случае работы с фильмами нужно многоканальное устройство. Выбор аппаратуры учитывать мощность, искажения, звуковую частоту и другие характеристики. Рядовому пользователю может быть сложно с ними разобраться, поэтому команда проекта ВыборЭксперта.ру подготовила рейтинг лучших стерео усилителей мощности по отзывам и обзорам. При выборе номинантов учитывались:
- Качество звучания;
- Фонокорректор;
- Мощность;
- Сфера применения;
- Дополнительный функционал.
Разновидности
По типу элемента усиления
1. Ламповые.
Схемотехника базируется на использовании мощных радиоламп.
Основные преимущества:
- качественный мягкий звук на высоких и средних частотах;
- мало сторонних шумов;
- без «шипения» при плавном ограничении сигнала при перегрузе;
- редкие случаи коротких замыканий;
- простая схема с применением небольшого количества радиодеталей;
- хорошая ремонтопригодность.
В то же время недостатком становятся сложности при поисках полноценной замены вышедших из строя элементов.
2. Транзисторные.
Схемотехника основывается на использовании транзисторов, небольших микросхем или интегральных микропроцессоров.
- Основные преимущества:
- более высокая мощность;
- насыщенность воспроизведения на низких частотах;
- компактность;
- минималистичный дизайн;
- ремонтопригодность.
В качестве недостатка считается сложность устройства, требующая обращения к специалистам в случае неисправности.
3. Гибридные.
Усиление мощности выполняется путём комбинации ламповых и полупроводниковых схем. Такие модели сочетают в себе их преимущества с минимизацией общих недостатков. Обычно лампы ставятся в предусилителе, а полупроводники в оконечные каскады перед выводом на акустику.
По количеству каналов
- Моно – для усиления по одному каналу. Как правило, присутствует в сабвуферах при обработке басов или в высококлассной аппаратуре.
- Стерео – для применения в стереосистеме.
- Многоканальные – для извлечения объёмного звучания. Для домашних кинотеатров обычно выпускаются модели с шестью каналами. Трёх- и пятиканальные варианты встречаются редко.
По типу сигнала
- Аналоговые – работают только с аналоговыми источниками. При подключении цифрового устройства требуется соответствующий преобразователь. Качество звука нередко превосходит цифровые модели, однако возможности и функционал несколько слабее.
- Цифровые – работают с цифровыми источниками. Перед выводом на акустику требуется преобразование в аналоговый вид. Модели более экономичные с отличными показателями сигнал/шум. Установка процессоров DSP позволяет корректировать акустику и получать различные другие полезных опции.
По классу
1. «А» – класс.
Однотактная схема с одним элементом (транзистором или лампой) для усиления обеих полуволн синусоидальной формы сигнала (положительной и отрицательной). Такая схема позволяет избежать необходимости их точной состыковки из двух различных элементов, что характерно для класса «АВ». Несмотря на высокое качество звучания, они довольно сильно греются, а мощность гораздо меньше.
2. «В» – класс.
Схема усиления только для одного полупериода: положительного (лампы, полупроводники-npn) или отрицательного (транзисторы-pnp).
3. «АВ» – класс.
Двухтактная схема с усилением положительных и отрицательных полуволн разными элементами. По сравнению с девайсами «А» у них в два раза больше мощность, они меньше выделяют тепла, а при работе имеют больше КПД и более экономичные. Однако при неудачном конструировании возможно искажения по причине неточности состыковки элементов, которые отвечают за усиление разных полуволн.
По размещению блока питания
- Внутри общего корпуса вместе со всеми функциональными блоками.
- В отдельном корпусе для уменьшения дополнительных помех из-за отрицательного влияния электромагнитного поля и вибрации трансформатора.
Совместимость
Несмотря на наличие двойной регулировки громкости и подстройки коэффициента усиления, данные устройства не совсем подходят для чувствительных внутриканальных моделей наушников. Я довольно часто сталкиваюсь с тем, что подобные наушники подключают к мощным усилителям, получая не очень хорошие результаты. На самом деле, большие и мощные усилители реально нужны далеко не всем наушникам.
Из того, что было под рукой, особенно хорошо связка из V800 и A200 показала себя с Sennheiser HD800, обеспечив отменную детализацию и музыкальное звучание, а также с изодинамическими моделями типа Audeze LCD-серии. Естественно, этими наушниками список подходящих моделей не ограничивается.
Традиционно несколько треков.
Powerwolf — Cardinal Sin (orchestral) бонус-трек из альбома 2013 года сочетает сочные гитарные рифы с мощной оркестровой подложкой, так что для качественного отыгрыша нужен не только отличный контроль по всем частотам, но и высокое разрешение. Поэтому связка этих усилителя и ЦАП отлично справляются с треком.
Queen — Killer Queen. Один их первых хитов величайшей группы. Сложное сочетание классической музыки и рока, положенные на чуточку смягченную музыкальную подачу V800 дают именно тот эффект, который необходим для данной музыки.
Rage — Shame on You! Пожалуй, первый альбом именно тех Rage, которые стали одними из основоположников немецкого Power Metal. Достаточно сложный материал требует отличного тракта, и V200 в паре с Audeze LCD-3 и являются именно таким вариантом.
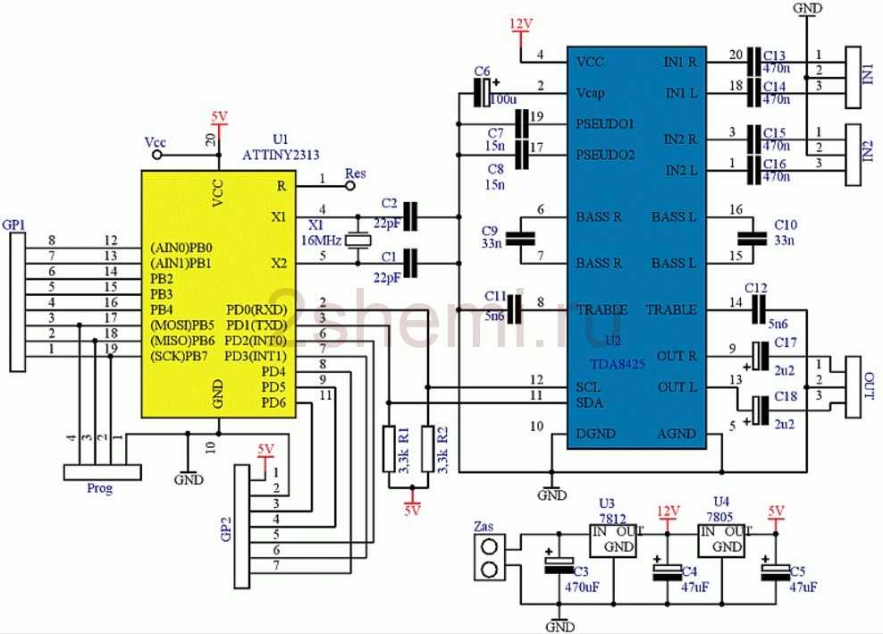
Схема УНЧ на TDA8425 и ATTiny2313
 Цифровой предусилитель на МК attiny – схема
Цифровой предусилитель на МК attiny – схема
Базой схемы является микроконтроллер U1 (ATTiny2313) вместе с кварцевым резонатором X1 (16 МГц) и конденсаторами C1 (22pF), C2 (22pF). Резисторы R1 (3,3 k) и R2 (3,3 k) подтягивают потенциал линии SCL и SDA шины I2C к плюсу питания, обеспечивая правильные условия работы МК. Обработкой сигнала звука занимается микросхема звуковой процессор U2 (TDA8425). Аудио сигнал подается на разъемы IN1 и IN2 через конденсаторы C13 – C15 (470nF). На выход предусилителя (разъем OUT) сигнал тоже попадает проходя конденсаторы C17 (2,2 мкф) и C18 (2,2 мкф). Остальные конденсаторы C6 – C12 были применены в соответствии с рекомендациями производителя на основе официального даташита.
Сборка конструкции УНЧ

 Платы печатные
Платы печатные
Схема управления предусилителя паяется на печатной плате. Монтаж следует начинать с установки всех перемычек (4 шт). Далее паяем резисторы и панельки под микроконтроллер и процессор звука TDA8425. В дальнейшем следует установить остальные элементы, в соответствии с принципом от самых маленьких – до самых больших. Под дисплей хорошо бы использовать прокладку, чтобы его прикрутить заподлицо с энкодером на передней панели.

Управление предварительным усилителем очень простое. Все выполняется с помощью одного энкодерара с кнопкой. Сразу после включения система находится в режиме регулировки громкости. Вращение поворотной ручки увеличивает или уменьшает уровень звука. Нажав на кнопку в энкодере переходим в настройки баса, высоких частот и выбора входа.

Два первых индикатора дисплея отображают в двоичном виде четыре режима настроек предусилителя, а остальные – это обычная линейка, в которой последовательно загорающиеся светодиоды показывают уровень настройки данного параметра – больше зажженных светодиодов это больше, например, громкость.


Технические характеристики
ЦАП V800
- Входы: AES/EBU, S/PDIF, TOS-Link, USB
- Частота семплирования: до 192 КГц по AES/EBU и S/PDIF, до 96 по USB
- Битовая глубина: до 24 бит
- Динамический диапазон: >120 дБ
- Диапазон частот: 10 Гц – 20 КГц (-0,05 дБ), 10 Гц – 40 КГц (-0,20 дБ)
- Коэффициент нелинейных искажений: <-112 дБ
- Выходы: 2 × RCA, 2 × XLR, цифровой S/PDIF
- Размеры: 170 мм × 49 мм × 225 мм
Усилитель A200
- Входы: 2 × RCA, 2 × XLR
- Диапазон частот: 0 Гц – 60 КГц (-0,5 дБ)
- Выходной импеданс: 0,06Ω
- Динамический диапазон: >128 дБ
- Шум: <-100 dBu
- КНИ + шум: <-110 дБ @ 100Ω, 1 Вт, <-103 дБ @ 32Ω, 0,5 Вт
- Максимальная мощность: 570 мВт @ 600Ω, 2200 мВт @ 100Ω, 2700 мВт @ 50Ω, 2000 мВт @ 32Ω, 1000 мВт @ 16Ω
- Размеры: 170 мм × 49 мм × 225 мм
БП предусилителя
Для питания всего устройства используется блок питания, построенный на стабилизаторах U3 (7812), U4 (7805) и фильтрующих конденсаторах C3 (470uF), C4 (47uF) и C5 (47uF). Он создает напряжения 12 В и 5 В, необходимые для работы микроконтроллера и процессора звука.
Для прошивки микроконтроллера U1 используется разъем для программирования Prog. Подключение платы контроллера с дисплеем возможно благодаря разъемам GP1 и GP2. Схема дисплея на рисунке далее.
 Схема дисплея на светодиодах
Схема дисплея на светодиодах
Плата дисплея не содержит никаких особенностей. Основной ее частью является LED дисплей – линейка светодиодов. Ток дисплея ограничивается резисторами R1 – R10 (330 Ом). Энкодер I1 позволяет регулировать параметры усилителя, он выполняет одновременно функцию кнопки. Разъемы GP1 и GP2 обеспечивают подключение платы дисплея к плате предварительного усилителя.
Как выбрать стереоусилитель
Характеристики усилителей мощности будут различаться и зависят от таких показателей как электронная база, на которой построено устройство, используемый блок питания, типы и количество разъемов
При выборе также нужно обратить внимание на мощность устройства
Качество звука
Любой покупатель аудиотехники должен понимать, на какой именно показатель в первую очередь нужно обратить внимание. Для стереоусилителей это следующие параметры:
- Подавляемая мощность устройства. Выбирается в зависимости от типа акустики, с которой усилитель будет работать.
- Соотношение сигнал/шум около 90-100 дБ.
- Частотный диапазон. Он должен превышать значения, которые воспринимает человеческое ухо. Оптимальное значение частоты от 20 кГц. Показатель для усилителей лежит в диапазоне 70-190 кГц.
- Мощность. Обязательно должен быть небольшой запас.
- Показатель демпфирования – он 100.
- Коэффициент искажений. Он должен быть минимальным. Искажения бывают интермодуляционными и гармоническими. Величина первых не должна превышать 3%, а вторых до 1%.
На качество звука оказывает влияние также наличие ЦАП. Так как современные музыкальные произведения записаны в цифровом формате, усилитель должен иметь преобразователь в аналоговый сигнал. Большинство современных моделей оснащены встроенным ЦАП, но его качество может отличаться.
Мощность
Все показатели должны соответствовать той акустике, под которую усилитель мощности звука покупается. Считается, что стереоусилитель должен быть мощнее акустики примерно в 2 раза. Также следует учесть площадь помещения при расчете мощности – на 1 квадратный метр нужно 3-5 Вт энергии.
Влияние оказывает чувствительность акустики на сопротивление, т.е. импеданс. Чем меньше чувствительность и выше сопротивление, тем более мощный усилитель нужно подбирать.
Фонокорректор
Он предназначен для облегчения подключения винилового проигрывателя. Выполняет функцию предусилителя сигнала с источника перед подачей на усилитель. Он повышает мощность слабого сигнала, а затем регулирует его выходное значение.
Прочие критерии выбора
На что также стоит обратить внимание перед тем, как купить интегральный стереоусилитель:
- Количество каналов. Стереоусилители оснащены двумя каналами, но есть модели с двумя парами выходов.
- Импеданс. Сопротивление усилителя должно точно или примерно совпадать с импедансом акустической системы. Лучше брать изделия, готовые работать с акустикой на 4 Ом.
- Демпфирование. Когда звук выдается на большой громкости, динамики могут подвергаться естественным колебаниям. Для улучшения качества звучания усилитель может их уменьшать. Оптимальное значение параметра от 100.
- Функции. К дополнительным опциям относятся Direct для отключения лишних цепей (баланс, тембр), вход с фонокорректором. Желательно, чтобы была функция тонкоррекции, а также выход на наушники.
- Тип клемм. Лучше отдавать предпочтение винтовым клеммам, так как они быстрее и надежнее фиксируют акустический кабель. Могут быть позолоченными для улучшения качества звучания.
- Наличие переключателей тембра, громкости, баланса, баса. Желательно, чтобы они были механическими для более точной регулировки. Электронное управление считается хуже.
- Пульт управления. Он может быть системным, чтобы пользователь мог управлять другими компонентами.
Важно понимать, что чем выше функционал, тем дороже изделие. Лучшие домашние планетарии
Лучшие домашние планетарии
Принцип действия
Работа звукоусиливающей аппаратуры основывается на преобразовании энергии, полученной усилительным элементом от источника питания, в энергию усиливаемого входного сигнала.
Основные этапы:
- На вход от источника звука поступает сигнал, который на первом каскаде предварительно усиливается и без искажений направляется в усилитель. Здесь же находится регулировка громкости. При этом качество исходного звука не должно быть потеряно.
- Во втором каскаде – драйверном, сигнал готовится к передаче в оконечный каскад.
- К третьему самому мощному каскаду подключены колонки, которые без искажений воспроизводят звук с требуемой громкостью.
Звук
Для прослушивания я использовал следующее оборудование:
- MacBook Pro Retina Late 2013 в роли источника
- Audirvana Plus в роли плеера
- Наушники HiFiMan HE-4, Audeze LCD-3, ТДС-7 в модификации Snorry, Sennheiser HD800
- Балансные кабеля от Era Cables
- Записи в формате lossless
Большую часть времени я тестировал оба компонента в сочетании друг с другом, они показывают отличную сочетаемость. Поэтому про ЦАП и усилитель по отдельности я напишу лишь вкратце, а потом напишу о связке в целом.
Функция апсемплинга, встроенная в ЦАП — достаточно интересная опция, позволяющая управлять передискретизацией сигнала, выбирая между плюсами разных вариантов. Мне больше всего понравился звук с опцией автоматического выбора коэффициента. В этом случае ЦАП показывает лучшую производительность на верхних частотах, они звучат очень легко и воздушно.
Несложно догадаться, что получается в результате сочетания этих компонентов. Данная связка практически не имеет равных в своем бюджете (в первую очередь благодаря усилению).
Бас у комплекта «ЦАП + усилитель» — отменно контролируемый, быстрый, очень детальный. Даже тонковатые на НЧ HD800 добавляют весомости в этой части АЧХ, что идет им на пользу. Фон мелодии создается очень живой, телесность и весомость инструментов не вызывают сомнений.
Высокие частоты — прозрачные, детальные и воздушные. Тут будет сыграно именно то, на что способны ваши наушники, их характер будет максимально точно передан и раскрыт. Особенно радует то, что в A200-м не стали искусственно подчеркивать ВЧ-диапазон для создания эффекта псевдодетализации, и из-за этого даже светлые наушники звучат натурально.






























 
    


