Технические характеристики
Итак, перейдем к скупым цифрам. Нормальная мощность колонок составляет 35 Ватт. Но эти красавцы легко могут выдать и 90. Именно поэтому их называли «кошмаром соседей». Однако для их полного раскрытия необходимы соответствующие по мощности усилители стерео. Только тогда эта акустическая система зазвучит по-настоящему. Диапазон частот начинается на 20 герцах и заканчивается на 25 000 герц. Такой широкий диапазон позволяет колонкам довольно достоверно воспроизводить почти все инструменты. АЧХ вполне приемлемо для акустической системы данного уровня. Никаких чудес от нее ждать не приходится. Но звук получается вполне достойным.
Теперь самое интересное – низкочастотный динамик. Это легендарный «Дин 75 ГД». Штука, конечно, хорошая, но идеально достоверного баса из него не получается. Если НЧ динамик хоть что-то из себя представляет, то среднечастотники и низкочастотники хоть и справляются со своей задачей, но назвать их «кошерными» не получится. Обычные бумажные «бубнелки». Намного лучше будет заменить их кевларовыми или шелковыми куполами во время доработки. Вот тогда большие колонки зазвучат. Да и низкочастотник лучше перемотать, так как в бывших в употреблении колонках он частенько бывает сгоревшим из-за «супер-мега басов».
Лучший ресивер Atmos средней ценовой категории: Denon AVR-X2700H
Данная модель поддерживает телевизоры 8K, источники видео 4K при 120 кадрах/с и регулируемую частоту обновления. Это даёт запас на будущее, в том числе готовность работать с игровыми консолями PlayStation 5 и Xbox Series X и сервисами потоковой трансляции на разрешении 8K. Лишь один порт поддерживает HDMI 2.1, но остальные также обладают поддержкой VRR, ALLM и QFT, а выходы HDMI поддерживают eARC.
Есть Dolby Atmos (включая Atmos Height Virtualization), DTS:X (с DTS Virtual:X) и четыре основных формата HDR. Как видим, очень мало с чем этот AVR не способен справиться
Не менее важно, что всё это выглядит очень просто благодаря превосходному процессу автоматической калибровки. Колонки настраиваются самостоятельно, а простой интерфейс упрощает управление через телевизор
Остаётся включить качественный контент и качество звука не разочарует. Запустите 4K Blu-ray с фильмами вроде «Бегущий по лезвию 2049» и «Мстители: Финал», «Звёздные войны: Восстание Скайуокера», включите сервис Disney+ и сможете оценить шикарный звук и превосходное точное управление звуковыми эффектами, почувствовав себя в центре событий. Только разве что в лучшем кинотеатре вы сможете получить похожие впечатления. Эффекты виртуального динамика показаны весьма убедительно, чтобы не вспоминать об отсутствии динамиков Atmos, хотя при наличии хотя бы одного подобного динамика эффекты будут ещё более убедительными.
Качество музыки тоже не подкачало, хотя стоит попробовать переключаться между разными звуковыми режимами, чтобы подобрать оптимальный для вашего помещения. Имеется встроенная потоковая трансляция музыки по Wi-Fi и функциональность мультирума с управлением через приложение Denon HEOS. Всё это составляет превосходный AVR, который на много лет станет основой вашего домашнего кинотеатра.
- Dolby Atmos: да, 5.1.2
- Выходная мощность: 7 x 150 Вт
- HDMI: 6 входов, 2 выхода
- Размеры: 433 x 330 x 167 мм
- Вес: 9,5 кг
Подробные характеристики: Отзывы:
Denon AVR-X2700H
Нужно ли приобретать ресиверы с Dolby Atmos и DTS:X?
Последние стандарты объёмного звука Dolby Atmos и DTS:X позволяют создать полностью трёхмерную среду звучания, когда звук будет вокруг вас и над вами. Чтобы воспользоваться этой возможностью, сейчас даже микшируют и обновляют музыку, ранее записанную в стерео. Если AV-ресивер Wi-Fi поддерживает Dolby Atmos и DTS:X и подключены колонки соответствующей конфигурации. Это станет значительным шагом вперёд по сравнению со стандартным объёмным звуком 5.1.
Dolby Atmos из этих двух стандартов встречается чаще, от популярного кино на 4K Blu-ray до телепередач и сериалов в сервисах Netflix, HBO, Amazon Prime Video и Disney Plus. DTS:X сейчас есть только на дисках 4K Blu-ray.
Сколько каналов нужно выбирать?
AV-ресиверы Dolby Atmos в начальной ценовой категории чаще всего предлагают семь каналов усиления. Среди них пять для стандартных левого/центрального/правого и два тыловых динамика для объёмного звука, а также два дополнительных канала играющих в потолок. Такая схема называется 5.1.2 (.1 представляет собой специальный канал сабвуфера). Более дорогостоящие AV-ресиверы содержат в своём составе девять или даже одиннадцать каналов усиления.
Зачастую бюджетные AVR предлагаются без Atmos и при этом всё равно способны обеспечивать высококачественный объёмный звук 5.1. Несмотря на это, за Atmos стоит заплатить больше, даже если места в вашей комнате не хватит для полноценного варианта 5.1.2 или 7.1.2. В продаже всё больше небольших динамиков Atmos, поэтому они не обязаны занимать в комнате много места.
Лучший ресивер с поддержкой 8K 120 кадров/с: Yamaha RX-A6A
Долгожданная модель Yamaha стала отправной точкой трёх новых ресиверов класса Aventage, но дешёвым его не назовёшь. A6A предлагает больше всего HDMI портов среди моделей в данной ценовой категории. Все семь входов HDMI готовы поддержать 8K/4K 120fps при обновлении прошивки. Производитель утверждает, что здесь нет бага HDMI 2.1.
9-канальный усилитель можно настраивать в конфигурациях 5.1.4 и 7.1.2 для Dolby Atmos, смотря какие динамики у вас имеются. Если вы ещё не приобрели динамики Dolby Atmos, функциональность Height Virtualization может предложить имитацию их звука. HDMI предлагает совместимость с Dolby Vision и HDR10+, автоматический режим с малой задержкой (ALLM), переменную частоту обновления (VRR), быструю передачу кадров (QFT) и быстрое переключение мультимедиа (QMS).
Yamaha является одним из лидеров при обработке звука DSP. Здесь доступны пресеты с имитацией акустических свойств реальных помещений, есть звуковые ремиксы в стиле разных жанров. Surround AI представляет собой новый подход к динамической оптимизации отдельных звуковых элементов, в том числе диалогов, фоновой музыки и звуковых эффектов в реальном времени в зависимости от контента.
Калибровка под помещения происходит в Parametric room Acoustic Optimizer (YPAO). Настройку мультирума можно произвести через сеть MusicCast. Можно также подключать беспроводные динамики MusicCast 20 или 50 в многоканальной компоновке.
Ресиверы для домашнего кинотеатра редко бывают красивыми внешне, но в данном случае устройство более стильное по сравнению с конкурентами. Это достигается за счёт простой конструкции передней панели, ручки громкости по центру, поворотного переключателя, дисплея LCD и сенсорным кнопкам. Ещё имеется обновлённая версия фирменной для Yamaha пятой опоры.
5 опора у Yamaha
Она работает как антирезонансный клин для рассеивания вибрации корпуса.
- Dolby Atmos: да, 5.1.4
- Выходная мощность: 9 x 110 Вт
- HDMI: 7 входов, 3 выхода
- Размеры: 435 х 192 х 442 мм
- Вес: 20,3 кг
Характеристики:
Yamaha RX-A6A
Denon AVR-X1500H
Семиканальный ресивер (7,2) более высокой мощности – 145 Вт. Ресивер подключается к большинству колонок. Отличается двухзонным режимом: можно подключить, например, в одной комнате 5,1 AV-систему, а в другой – 2,1. Поддерживает все новейшие форматы, есть автоматическая калибровка звучания (технология Audyssey). Колонки настраиваются с учётом особенностей помещения. Оснащён большим числом разъёмов, дополнительным HDMI, Phono, вторым выходом на сабвуфер.
Преимущества:
- Хорошее качество звука.
- Автокалибровка.
- Можно посмотреть, какие кодеки включены при воспроизведении контента.
- Пять выходов HDMI.
- Современные аудиокодеки.
Недостатки:
- Некоторые покупатели находят меню сложным, «замороченным».
- Есть нарекания на медленные переходы по меню.
- Нет микшера стерео в сурраунд.
Denon AVR-X1500H за 30690 рублей — неплохой ресивер, оснащённый современными технологиями и кодеками, с качественным звучанием. По ряду характеристик модель превосходит Pioneer VSX-832, но судя по отзывам, использовать все заявленные возможности необходимости нет. Возможно, не стоит за них платить больше.
Отзывы на Яндекс.Маркете
Средняя ценовая категория
Здесь представлены более серьезные модели, цена которых находится в пределах от 10 до 40 тысяч рублей. В этой категории собраны акустические системы, способные удовлетворить более требовательные запросы любителей качественного звука. Но при этом цена на них вполне доступна.
1. Pioneer S-ESR2TB
Пассивная акустическая система с фронтальными напольными колонками от известного производителя звукового оборудования и электроники.
Характеристики:
- состоит из двух фронтальных, двух тыловых колонок и центра;
- чувствительность фронта 83 Дб, тыла 81,5 дБ, а центра 88 Дб;
- частоты от 40 до 30 тысяч Гц;
- корпуса изготовлены из МДФ;
- 3-полосные фронтальные колонки и 2-полосная центральная.
Плюсы:
- качественный звук фронтальных колонок с неплохими низкими частотами;
- крепления для монтажа в комплекте;
- компактный размер;
- высокое качество сборки и материалов;
- стильный дизайн.
Минусы:
- низкокачественные провода, идущие в комплекте;
- отсутствует сабвуфер, что приводит к недостаточному воспроизведению басов;
- слабые тыловые колонки и центр.
Цена: 20990 р.
Цены на Pioneer S-ESR2TB:
2. Harman/Kardon HKTS 30
Полочная акустика 5.1 с активным сабвуфером идеально подойдет для домашнего кинотеатра в не очень большом помещении.
Характеристики:
- включает по две полочные тыловые и фронтальные колонки и активный сабвуфер;
- частотность 45-20 тысяч Гц;
- 2-полосные колонки;
- сабвуфер мощностью 200 Вт;
- чувствительность 86 дБ.
Плюсы:
- высокое качество звука при компактных размеров;
- настенные крепления в комплекте;
- в комплекте есть позолоченные разъемы;
- высокое качество исполнения;
- магнитное экранирование.
Минусы: не обнаружены.
Цена: 35 990 р.
Цены на Harman/Kardon HKTS 30:
3. Harman/Kardon HKTS 16BQ
Качественная акустика для дома с активным сабвуфером.
Характеристики:
- в составе по две 2-полосные тыловые и фронтальные колонки, центр и сабвуфер мощностью 200 Вт;
- полочный тип колонок;
- частоты от 35 до 20000 Гц;
- чувствительность 86 дБ;
- отделка черный глянец.
Плюсы:
- качественное объемное звучание;
- легкое подключение благодаря цветной маркировке кабелей;
- удобные кронштейны для настенного крепления в комплекте;
- экономичное энергопотребление;
- центральный канал с двойным драйвером для более четкого отображения голосов;
- магнитное экранирование.
Минусы: не обнаружены.
Цена: 14800 р.
Цены на Harman/Kardon HKTS 16BQ:
4. Bose Acoustimass 5
Это пассивная акустика с компактными колонками и сабвуфером. Колонки Bose являются самыми дорогими в этой ценовой категории.
Характеристики:
- 4 однополосные компактные колонки весом чуть больше килограмма;
- отделка черным либо белым глянцевым пластиком;
- полочная акустика с возможностью крепления на стену.
Плюсы:
- магнитная защита;
- мощные драйверы, обеспечивающие объемное звучание;
- возможность крепления на стену или специальные стойки;
- компактность.
Минусы:
для достижения полного качественного звучания требуют правильной установки в помещении и хорошего усилителя.
Цена: 39990 р.
Цены на Bose Acoustimass 5:
10 лучших советских акустических систем
Давайте рассмотри лучшую акустику, что была в СССР.
Десятое место
Десятое место занимает Вега 50ас 106. Вега 50ас 106 – хорошая акустика. Интересные напольники с очень даже достойным звучанием, если вы – не аудиофил с отличным слухом. Внешний вид – трехполосные, из отряда S90. На лицевой стороне пластиковая вставка черного цвета, среднечастотник и НЧ динамик закрыты металлической сеткой, а вот высокочастотник вообще не закрыт. Также акустика имеет два фазоинвертора. Вега 50ас 106 сумеет затмить многие иностранные колонки более дорогой ценовой категории Hi-Fi.
Девятое место
На девятом месте – акустика Корвет 35ас 208. Акустика Корвет 35ас 208 считается одной из лучших систем, что производили в Советском Союзе в классе 35ас. Пара этих систем весит примерно 72 -75 кг. Оформление корпуса – кстати, покрыты очень хорошим шпоном. Для тех, кто не знает, что этот тонкий слой дерева – дорогой материал для облицовки. Он имеет почти бордовый цвет.
В целом колонки получились очень темными, подходящими по интерьеру под темный ламинат или паркет. Большая масса корпуса акустики Корвет не даёт ему сильно вибрировать во время работы динамика, поэтому все лишние звуки, исходящие из диффузора динамика, сразу же исчезают. Вот мы перешли к разговору на тему звука.
Звук акустики Корвет очень качественный, четкий на абсолютно любой громкости. Данные системы нельзя слушать в маленьких комнатах, а лучше в большом по площади помещении. Звук мягкий – высокие тона не режут слух даже на высокой громкости. Колонки Корвет понравятся как любителям классики, так и рока, джаза, блюза. Меломан будет в восторге от звука данных систем.
Восьмое место
На восьмом месте – акустика Электроника 25 АС 033. Выглядит очень и очень неплохо, учитывая возраст акустики. Внешний вид корпуса акустики Электроника 25 АС 033 довольно благовиден, корпус выполнен из ДСП, акустика покрыта неплохим шпоном. В комплект акустики входила особая подставка, которая изменяла угол наклона данной акустики.
Особенно хорошо Электроника 25 АС 033 играет инструментальную музыку, также детально со вкусом джаз. Электронщина звучит как в каше. Электроника 25 АС 033 отлично подойдет в качестве второй пары.
Шестое место
Шестое место занимают колонки Эстония 35ас 021. Внешность акустики – полочные колонки, довольно стандартная на вид трехполосная система. Два фазоинвертора, сверху – высоко, посередине – среднечастотник, в самом низу – НЧ динамик. Что касаемо звучания, Эстония – просто шедевр звука! Колонки закрыты металлическими сетками. Эстония 35ас 021 в то время – вершина безупречности звука и красоты.
Пятое место
Пятое место по праву занимает акустика Кливер 75ас 001. Колонки очень большие, широкие, сделаны по стандартной трехполосный схеме, фазаинверторного типа. Акустика Кливер 75ас 001 внешне – это вам не современные тоненькие колоночки от китайцев для ширпотреба. Кливер 75ас 001 обладает неплохими не только для того, но и для нашего времени, динамиками. В них установлены отличные динамики, при чём динамики нового поколения, АС имеют чувствительность в 91 децибел, кратковременную мощность – 300Вт, долговременную – 75Вт. Звучат очень серьезно.
Четвертое и третье место
Пятое и четвертое места – АС Виктория 001 и Симфония 003. Две легендарные акустические системы, которые шли в комплекте с одноименными ламповыми радиолами. Виктория 001 – установлены редкие динамики с высокой чувствительностью в 112 децибел. Симфонии 003 – эта АС особо почитаемая у аудиофилов. Несмотря на винтажные динамики, Симфония 003 показывала даже в родном корпусе высокий класс, шикарный звук богатый деталями, будто перед тобой не винтажная акустика, а очень дорогие и высококачественные акустические системы.
Второе место
На 2-ем месте – легендарная акустика S90, первая версия 35.1. Акустика 35ас 1 была одной из лучших не только среди отечественной акустики, звучала лучше всех в модельном ряде S90. В наше время S90 35.1 пользуются также большим спросом и после небольших доработок очень и очень неплохо звучат.
Лучшая акустическая система в СССР
На первом месте – акустика Электроника 75ас 065 – АС с отличной родословной и превосходным звуком. Электроника 75ас 065 – АС получилась довольно громоздкой и широкой, но она впечатляет своим звучанием вплоть до инфранизких частот. Электроника 75ас 065 просто шикарна.
Не стоит принижать всячески советскую технику, ведь это история России, история российского звукостроения. Уже не одно десятилетие советские АС радуют слух меломанов, и не один десяток лет эти системы еще послужат своим заботливым хозяевам.
Pioneer VSX-832
Пятиканальный полупроводниковый ресивер. Отлично работает с большинством домашних кинотеатров, хотя и обладает средним показателем мощности. Оснащён большим числом декодеров, чтобы улучшать качество изображения до качества 4К. Мощность — 130 Вт на канал. Небольшое сопротивление (4–16 Ом), что отвечает за чистоту звучания. Рассчитан на воспроизведение звука в широком диапазоне — 10–100000 Гц (как и большинство моделей рейтинга). Низкий коэффициент гармоник (0,08%) говорит о высоком качестве звука и энергосбережении. Разъёмов много: 2 композитных, 4 HDMI, коаксиальный, оптический, 2 линейных выхода под сабвуфер, наушники, USB. Есть Bluetooth, Wi-Fi. Управление пультом. Весит 8,6 кг.
Преимущества:
- Отличное качество звука. Детальное, объёмное звучание.
- Аудиодекодеры для Dolby Atmos и DTS: X.
- Много ручных настроек.
- Автоматически включается/выключается при включении или выключении телевизора.
- Можно обновить ПО.
- Стабильное соединение по Wi-Fi.
Недостатки:
- Не поддерживает двухзонный звук.
- При автоматических настройках качество звучания через микрофон не очень удовлетворяет запросам покупателей (добиться оптимального звучания можно через ручные настройки).
- Есть единичный случай поломки пульта (в сервисе производят замену).
Цена Pioneer VSX-832 — 29990 рублей. Недорогая модель с функциями более дорогих AV-ресиверов. Покупатели отмечают высокое качество звучания, простоту настроек. Модель достойная, заслуживает внимания тех, кто не хочет платить больше за дополнительный функционал.
Отзывы на Яндекс.Маркете
Новые кроссоверы для Radiotehnika S-400M
После замеров сопротивлений динамиков, я рассчитал свои параметры срезов. Схему соответственно переделал полностью. В место переменного сопротивления в регулировке уровня ВЧ и СЧ поставил маленькие галетные переключатели на четыре положения, подобрал мощные резисторы постоянного сопротивления.
Регулировка стала ступенчатая, можно сказать – “грубая”. Некоторым это может и не понравится, но на звук это изменение вообще никак не отразится. Четыре ступеньки – с головой хватает, что бы настроить нужное усиление, а точнее уменьшение, на этих частотах. Меня очень устраивает, так как я слушаю музыку выставляя настройки тембра усилителя – в “Ноль”.
Ниже моя схема “нового кроссовера” для моих S-400M.
Схема моего нового кроссовера для Radiotehnika S-400m
Низкочастотный фильтр настроен на 380 герц. Рассчитан по программе, но я сделал срез не на 3дб, а примерно на 1,5 дб, что бы срез был не такой «крутой». Получилось так, что он дотягивается почти до 700 герц.
Среднечастотное звено отрезал от 600 герц до 3800 герц.
От 4 кГц играют высокочастотные пищалки. Заводской фильтр – второго порядка, я сделал – третьего порядка. И поставил демпфер, что бы на самых высоких (20 000 Гц) не было «всплеска». Почему так? Потому что по паспорту, у этой пищалки, на 20кГц – «горб». Можно сказать, как «цепочка Цобеля» ставится на низкочастотном фильтре, так и здесь. По подсчетам, пик «горба» ожидался в районе 30кГц, и он немного должен «приглушать» его. По большому счету – эту частоту не слышно, но как один «гуру» рекомендовал – ставить! Так я и сделал, думаю, что хуже не будет.
Акустическая система S-90D
Рис. 6. Внешний вид акустических колонок Radiotehnika S-90D.
В АС имеется индикация перегрузки головок громкоговорителей. Регуляторы, расположенные на лицевой панели АС, дают возможность плавно регулировать уровень звукового давления высокочастотной и среднечастотной головок громкоговорителя в пределах от 0 до минус 6 дБ.
Есть еще модель акустической системы «S-100D», в ней применена среднечастотная головка 30 ГДС-3 с магнитной жидкостью MAHID, что позволяет повысить паспортную мощность акустической системы до 100 Вт. В остальном конструкции «S-90D» и «S-100D» аналогичны.
Для работы АС необходимо подключить к усилителю, имеющему на выходе каждого канала наибольшую (максимальную) мощность в пределах от 50 до 150 Вт.
Если при работе АС начинают светиться индикаторы ПЕРЕГРУЗКА, то следует уменьшить уровень подаваемого на нее входного сигнала (регулятором громкости в усилителе, к которому подключена АС).
Паспортные технические характеристики S-90D:
| Паспортная электрическая мощность «S-90D»/»S100-D» не менее | 90 Вт 100 Вт |
| Номинальная электрическая мощность | 35 Вт |
| Номинальное электрическое сопротивление | 8 Ом |
| Диапазон воспроизводимых частот не уже | 25-25000 Гц |
| Характеристическая чувствительность в диапазоне частот 100-8000 Гц, при мощности 1 Вт, не менее | 89 дБ |
| Габаритные размеры АС | 360x710x286 мм |
| Масса АС не более | 23 кг |
На рисунке ниже изображена принципиальная схема колонок S90D.
Рис. 7. Принципиальная схема АС Радиотехника S90D.
Рейтинг стереоусилителей
Люди, занимающиеся музыкой профессионально, огромное внимание уделяют подбору техники. Меломаны тоже любят хороший звук, поэтому им также нужно понимать, что такое стереоусилитель, как его выбрать, чем они различаются между собой
Кратко основные задачи стереоусилителя можно описать следующим образом:
- Повышение мощности звука.
- Улучшение качества звучания на разных частотах, получение более глубоких басов.
- Снижение помех, искажений по сравнению с первоначальным звуком.
Устройство включает в себя следующие конструктивные компоненты:
- Входной каскад. К нему подсоединяются проигрыватели, акустика и прочие источники звука.
- Блок питания. Это устройство, предназначенное для увеличения входного тока до подходящих значений. Он работает на базе трансформатора. Является самой увесистой частью усилителя.
- Выходной каскад. Оснащен транзисторной базой, которая придает сигналу нужную форму и подает его на колонки.
- Регуляторы. Инструменты управления усилителем обычно размещены на передней панели. С их помощью пользователь может настроить громкость, басы, тембр и другие характеристики, а также выбирать источник звука.
Усилители будут различаться по разным критериями:
- По элементной базе выделяют стереоусилители, работающие на интегральной, транзисторной, ламповой, гибридной схеме.
- Они могут использоваться в различных областях: дома, в студиях, автомобиле, на концертных площадках.
- По числу каналов могут быть одно-, двух- или многоканальные модели.
Основной вопрос, который покупатель должен задать себе перед выбором стереоусилителя – это что он хочет получить на выходе. Так, например, повысить громкость можно при обработке программными методами. Настроить звук можно только с применением специальных устройств.
Для записи стереозвука нужен прибор, который обеспечит объединение двух каналов, а в случае работы с фильмами нужно многоканальное устройство. Выбор аппаратуры учитывать мощность, искажения, звуковую частоту и другие характеристики. Рядовому пользователю может быть сложно с ними разобраться, поэтому команда проекта ВыборЭксперта.ру подготовила рейтинг лучших стерео усилителей мощности по отзывам и обзорам. При выборе номинантов учитывались:
- Качество звучания;
- Фонокорректор;
- Мощность;
- Сфера применения;
- Дополнительный функционал.
Denon AVC-X8500H
Ресивер 13.2 оснащён технологией HEOS, обеспечивающей беспроводное воспроизведение аудиосигнала. В каждом усилителе мощность может развиваться до 150 Вт на канал. Пиковая мощность фронтальных каналов достигает 280 Вт. Качество звучания обеспечивают чипы AKM AK4490EQ. Оснащён большим числом разъёмов. Кроме имеющихся у Arcam FMJ AVR390, есть дополнительно 2 триггера, Phono. Весит ещё больше – 23,3 кг.
Преимущества:
- Топовая модель для настоящих ценителей.
- Потрясающее звучание с любой акустической системой.
- Практически нет искажений.
- Простота подключения любых источников (благодаря специальной программе диагностики).
- Представлен в чёрном и серебристом цветах.
Недостатки:
- Некоторые эксперты отмечают незначительный избыток высоких частот.
- Нет ручной корректировки (только автоматическая).
Denon AVC-X8500H за 265 тыс. рублей – первый ресивер на 13 каналов, вышедший в 2021 году. Эксперты сходятся во мнении, что эта модель — лидер 2021 года по функциональности и оснащению.
Отзывы на Яндекс.Маркете
Акустическая система S-90 (первая модель)
Рис. 1. Внешний вид колонок Radiotehnika S-90.
В акустической системе имеются два ступенчатых регулятора уровня воспроизведения раздельно для средних и высоких частот в диапазонах от 500 до 5000 Гц и от 5 до 20 кГц соответственно.
Оба регулятора имеют по три фиксированных положения: «0»,»-3дБ» и «-6 дБ». В положении «0» сигнал с разделительного фильтра подается нп соответствующую головку непосредственно. В положениях «-3 дБ» и «-6 дБ» сигнал ослаблен относительно положения «0» на 1.4 и 2 раза соответственно.При соответствующем спектральном составе программы переключением регулятора изменяют тембральную окраску звучания.
Паспортные технические характеристики S-90:
| Паспортная мощность | 90 Вт |
| Номинальная мощность | 35 Вт |
| Номинальное электрическое сопротивление | 4 Ом |
| Диапазон воспроизводимых частот | 31.5-20000 Гц |
| Номинальное звуковое давление | 1.2 Па |
| Габаритные размеры АС | 360x710x285 мм |
| Масса АС не более | 30 кг |

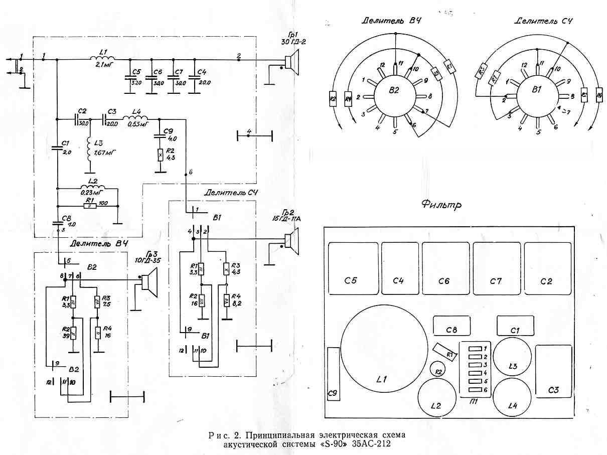
Рис. 2. Принципиальная схема акустических колонок S90 35АС-212.
Схема кроссовера Radiotehnika S-400M
Фильтры S400M построены по классической параллельной схеме, ещё их называют «лестничными». Ниже приводится схема, которую я срисовал с моих заводских кроссоверов. Я не художник, приношу свои извинения, но вроде всё понятно.
картинка заводского кроссовера с моих колонок Radiotehnika-s400m
С помощью программы посмотрел, что они заложили в этот фильтр. Какие срезы рассчитывали, на каких частотах. По паспорту указано, что стоят фильтры со срезами – 400, 700 и 3500 герц. Но на самом деле эти частоты не соответствовали заявленным. Вероятно, что комплектующие ставили близкие по параметрам, а не те, что нужны были по рассчетам.
В соответствии с заводской схемой и имеющимися в схеме комплектующими, по их расчетам, получалось, что нижний порог 384 герц, середина от 800 до 2000 герц, а высокочастотник от 3000 герц должен был играть. А он вообще не играл – отдельная тема.
Как потом оказалось – проблема в этой акустике была именно в пищалках. А я считал, что нет «высоких» из-за кроссовера. На самом деле, всё было гораздо проще. В купленных мной колонках были сгоревшие пищалки. Они не совсем сгорели, а подгорели. Продавец скрыл это и прикинулся “непонимающим”.
Они подавали признаки жизни только на большой громкости. Пришлось их заменить на китайские, которые “случайно” были в моих запасниках, лежали для другого проекта-эксперимента.
По параметрам они подходили как нельзя – отлично! И по размерам – почти как родные, без каких либо доработок! И я недолго думая – заменил подпаленные на имеющиеся “безымянные”. На фото видно, что они чуть-чуть меньше диаметром, остался зазор в 1-2 мм, но это практически не заметно.
Краткое описание кроссовера
В фильтре низкой частоты стояли два конденсатора по 33 мкф на 63 вольта, в параллели. Катушка намотана на каркасе без сердечника – 2,6 mH (мили генри).
Фильтр средних частот включал в себя катушки – 2,8 mH и 0,55 mH и конденсатор на 18 мкф. В параллели с СЧ динамиком стояла цепочка из конденсатора 8,2 мкф и резистора – 3,3 Ом.
Высокочастотная часть фильтра состоит из двух параллельно соединенных конденсаторов – 2,0 мкф и 0,47 мкф и одной катушки, которая намотана тонким проводом, и имеет – 0,3 mH. Она стоит параллельно ВЧ динамику.
И чуть не забыл! Два переменных резистора в ВЧ и ВЧ фильтрах понижают уровень этих каналов на несколько децибел.

Обращаю внимание на фазировку подключения динамиков! В интернете нашел ещё пару схем, срисованных с кроссоверов S400m, но там указана иная фазировка и другие параметры всех комплектующих фильтров. Смотри ниже
схема заводского кроссовера Radiotechnica S-400m, 2-я версия
схема заводского кроссовера Radiotechnica S400m, 3-я версия
Какая из них самая правильная – скажите! Вероятно, эти последние две схемы срисованы не внимательно, но свою схему я перепроверял несколько раз, что бы быть уверенным, что я всё верно срисовал.
А возможно, что все схемы правильно срисованы, но отличаются из-за того, что инженеры на заводе постоянно экспериментировали и получались разные схемы.
А ещё, я уже высказывал вариант – отсутствие нужных конденсаторов и катушек на складе, при сборке новой партии акустики. Этот момент требовал постоянной коррекции схемы и комплектующих.
Как выбрать лучшую модель
AV-ресивер именно для тех, кто считает себя настоящим аудиогурманом. Аппарат позволяет оценить качественное звучание и делает любое времяпровождение в разы приятнее. Более того, он берет на себя роль «распорядителя бала», что значительно упрощает работу хозяину. При выборе продукта такого рода следует отталкиваться от индивидуальных потребностей и оценить разветвленность будущей аудиосистемы.
Если же будут подключаться какие-то внешние источники, как, например, смартфон, то необходимо убедиться в их совместимости. Яркий пример пользы от ресивера каждый встречает в повседневности: очень просто улучшить звучание телевизора, подключив к нему через ресивер парочку колонок. Некоторые же модели даже улучшают искаженные форматы звука и убирают шумы.
Установка кроссовера
Ниже фото того, что у меня получилось.
фото моего нового кроссовера Radiotehnika S-400m
Немного опишу, если не всё понятно – где и что находится.
НЧ-фильтр
Большая «черная» катушка, в низу картинки, имеет большую индуктивность 2,4 mH, намотана на металлическом сердечнике. Там же, рядом, два параллельно подключенных электролита – 47 и 12 мкф, и последовательно с ними, гасящее сопротивление в 1 ом. Это НЧ фильтр.
СЧ-фильтр
Он имеет два дросселя. Одна катушка намотана на металопластиковую трубу и потом аккуратно снята и зафиксирована хомутами. Она имеет индуктивность 0,65 mH (зеленая изолента). Другая катушка, на пластиковом каркасе, настроена на 4 mH.
ВЧ-фильтр
ВЧ звено с дросселем большого диаметра. Он рассчитан на 0,3 mH. Там же набор конденсаторов. На картинке слева внизу.
Далее, фото установленного кроссовера в правой колонке.
Справа виден один валик, который “спрятался” за панелью с регуляторами уровня ВЧ и СЧ. Сверху видно “тубу” под СЧ динамик. Внизу – распорка и кусочек синтипона. Внешний вид самого кроссовера – меня устраивает, хотя, повторюсь ещё раз, монтаж можно было сделать и по красивее.





























